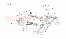
Finden Sie Ihr Teil
 
# Details zum Teil Preis
(je)
Menge auf
Diagramm
In den Warenkorb
001 410857529
RING
€68.34 1
002 410919307
HELLER
€46.99 1
003 418927127A
ANSOR TASTATUR IM GETRIEBE HINTEN
€2,521.85 1
004 418858092B
RAHMEN (SCHALTGETRIEBE)
€482.76 1
005 414927143
ANSOR TASTATUR IM GETRIEBE VORDERSEITE
€4,456.98 1
006 418858091A
FRAME
€488.94 1
007 410858023
RÌCKE
€49.21 1
008 414864147
FRAME
€158.51 1
008 414863365A
RAHMEN (CARBON INTERIEUR DUNKEL - ANGABE DES FAHRZEUGS)
€2,624.77 1
009 414864107
RÌCKE
€367.48 1
010 414941567
ANSOR TASTATUR IM ARMATURENBRETT (SCHALTGETRIEBE)
€1,188.87 1
010 414941567A
ANSOR TASTATUR IM ARMATURENBRETT (E-GEAR)
€1,343.28 1
011 429920900A
ARMATURENBRETT (SCHALTGETRIEBE - WARNUNG, SIEHE REF. 47)
€4,704.02 1
012 410959565A
SCHALTER FÌR SEITENSPIEGEL
€669.08 1
013 410919815A
RH/LH FENSTERHEBERSCHALTER
AUF LAGER
€337.63 2
014 410820043B
DIAVIA A/C ARMATURENBRETT MONTAGE
€2,907.85 1
015 418919823A
E-GEAR BEDIENFELD
€4,374.63 1
016 4109192250
KNOPF-SET
- 1 Enquire
017 WHT003297
SCHRAUBE 2,2X6,5
€0.27 8
018 410971315B
KABELBAUM KNÖPFE SET
€133.31 1
020 WHT003088
SCHRAUBE MIT INNENSECHSKANT UND FLACHEM KOPF
AUF LAGER
€0.35 2
020 N90455205
SCHRAUBE M4X10
AUF LAGER
€0.57 2
021 N1152221
WASCHMITTEL
- 4 Enquire
022 N01020717
SCHRAUBE M5X12
AUF LAGER
€0.51 2
023 N91109201
WASCHMITTEL
AUF LAGER
€1.18 2
024 410857441
ABSTANDSHALTER
€161.09 2
025 N91078401
SCHRAUBE
€12.11 2
026 WHT002953
MUTTER M6
€2.58 2
027 WHT003067
SCHRAUBE M4X10 (CARBON INNENAUSSTATTUNG)
€2.48 4
028 N115359
WASCHMITTEL
- 4 Enquire
029 WHT003084
SCHRAUBE M3X12
€8.74 4
030 WHT003110
SCHRAUBE M4X10
€4.22 4
034 410864191
HALTERUNG (E-GETRIEBE)
€40.61 2
035 WHT002961
WASCHMITTEL
AUF LAGER
€0.30 2
036 N10580702
SCHRAUBE
€4.55 2
037 N10612001
WASCHMITTEL
AUF LAGER
€0.36 2
038 N10613301
SCHRAUBE M3X8
AUF LAGER
€0.44 2
039 7M3919311
STECKDOSE 12V (NICHTRAUCHER-VERSION)
€5.46 1
040 410858781
FRAME
€610.40 2
041 410858092
HALTERUNG (E-GETRIEBE)
€116.32 2
042 410858099A
RAHMEN (SCHALTER FÌR ELEKTRISCHE FENSTERHEBER RECHTS/LINKS)
€431.30 2
043 N10613301
SCHRAUBE M3X8
AUF LAGER
€0.44 4
044 N1152221
WASCHMITTEL
- 4 Enquire
045 WHT003110
SCHRAUBE M4X10
€4.22 4
046 N1152221
WASCHMITTEL
- 4 Enquire
047 63000337
TYPENSCHILD FÌR INSTRUMENTENTAFEL
€3.11 1

Haben Sie nicht gefunden, wonach Sie gesucht haben?

Originalteile Tuning-Teile Brauchen Sie Hilfe? Rufen Sie uns an