Finden Sie Ihr Teil
 
# Details zum Teil Preis
(je)
Menge auf
Diagramm
In den Warenkorb
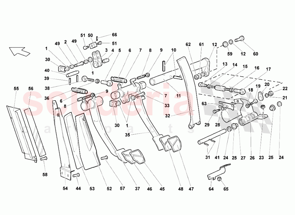
001 N01152722
UNTERLEGSCHEIBE 10,5X21X2
€13.09 4
002 410721966
JOURNAL
€149.99 1
003 410721385
HEBEL
€86.47 1
004 410721164A
BUCHSE
€9.83 1
005 410721993
KUGELGELENK-KUPPLUNG
€56.59 1
006 410721363
FRÌHLING
€130.86 2
007 410721443
BUCHSE
€179.46 2
008 410721671
NACHSTELLHÌLSE
€17.96 2
009 N01100637
MUTTER M6
AUF LAGER
€0.25 (34.2% off) 2
010 WHT003109
PIN
AUF LAGER
€0.91 2
011 413721325
JOURNAL
€2,580.73 1
012 WHT002631
UNTERLEGSCHEIBE 8X12X1
€24.46 2
013 400721214E
KUGELGELENKKOPF (LINKSGEWINDE)
€47.38 1
014 N10690001
MUTTER (LINKSGEWINDE)
€393.06 1
015 400721743A
WELLE
€29.80 1
016 N10689901
MUTTER M5
€0.06 1
017 400721214D
KUGELGELENKKOPF
€32.44 1
018 N01100845
SECHSKANTMUTTER
AUF LAGER
€1.45 1
019 N01033520
SCHRAUBE M8X35
AUF LAGER
€1.19 1
020 400721728C
HEBEL
€158.78 1
022 N02300212
MUTTER M6
€0.23 1
023 N10609202
SECHSECKIGE BUNDMUTTER
AUF LAGER
€0.27 2
024 WHT000697
WASCHMITTEL
€0.73 2
025 410721543
BUCHSE
€23.34 2
026 400721651A
STÌTZE
€117.41 1
027 400907475A
POTENTIOMETER
€1,380.86 1
028 N0115578
UNTERLEGSCHEIBE 6X12X1
€1.34 2
029 N10546402
SCHRAUBE MIT INNENSECHSKANT
€0.57 2
030 N0126483
KLEMME
€2.90 2
031 N10206801
PIN
€0.48 2
032 400721507A
GASPEDAL
€1,804.95 1
033 410721147
JOURNAL
€212.04 1
035 413721145B
BREMSPEDAL
€1,458.45 1
036 N10155210
MUTTER
€1.51 1
037 413721321B
KUPPLUNGSPEDAL
€1,644.63 1
038 410721645
VERBINDUNGSSTANGE
€60.42 1
039 N0133481
FRÌHLINGSSTIFT
AUF LAGER
€0.19 1
040 410721965
JOURNAL
€22.24 1
041 400721157
JOURNAL
€24.51 1
044 N90780901
OVALE INNENSECHSKANTSCHRAUBE
AUF LAGER
€0.22 1
045 400721779
COVER
€456.17 1
046 400721173
COVER
€25.65 1
048 400721174C
COVER
€259.56 1
049 410721134A
BUCHSE
€167.05 1
050 410721255
BLOCK
€49.24 1
051 410721379
SCHRAUBE
€33.94 1
052 413864419
FUSSSTÌTZE FAHRERSEITE
€2,854.82 1
053 401864431
GUMMIFUSSMATTE
€16.29 1
054 413864775B
RÌCKE
€84.40 1
057 WHT003068
SENKKOPFSCHRAUBE
AUF LAGER
€1.03 2
059 410721427
KUGELGELENK
€66.94 1
060 WHT003270
JOURNAL
€34.93 1
061 N90179103
UNTERLEGSCHEIBE 18X8,4X2,5
AUF LAGER
€1.19 1
062 N0111849
MUTTER
AUF LAGER
€1.66 1
063 410971806
STÌTZE
€25.44 1
066 N0133311
PIN 2.0X12.0
€0.16 2

Haben Sie nicht gefunden, wonach Sie gesucht haben?

Originalteile Tuning-Teile Brauchen Sie Hilfe? Rufen Sie uns an