Finden Sie Ihr Teil
 
# Details zum Teil Preis
(je)
Menge auf
Diagramm
In den Warenkorb
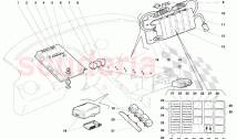
000 6037761
GFA STEUERGERÄT
(USA MODELL)
€7,190.81 1
001 5934389
REMO. VERRIEGELUNG E.C.U.
(GÜLTIG FÜR KANADA - MÄRZ 1997) CENTRALINA CHIUSURA CENTR.
- 1 Enquire
002 6138100
HAUPTRELAIS-GEHÄUSE
(GÜLTIG FÜR KANADA - MÄRZ 1997) SCATOLA RELE1 CENTRALE
- 1 Enquire

Haben Sie nicht gefunden, wonach Sie gesucht haben?

Originalteile Tuning-Teile Brauchen Sie Hilfe? Rufen Sie uns an