Finden Sie Ihr Teil
 
# Details zum Teil Preis
(je)
Menge auf
Diagramm
In den Warenkorb
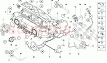
001 470901127C
MOTOR (AB VIN CLA00885)
€535.27 2
001 470901127B
MOTOR (BIS ZUM VIN CLA00884 - BIS ZUM VIN CLA00146 IM FALL
€732.37 2
002 470901099B
STÌTZE LINKE SEITE
€36.01 1
002 470901100B
UNTERSTÌTZUNG RECHTE SEITE
€36.01 1
004 470903125B
SUPPORT (BIS ZUR VIN CLA00146 IM FALLE EINER NACHBESTELLUNG
€289.41 2
005 470903121
STÌTZE
€10.53 2
006 470901111
DICHTUNG
€3.69 2
007 N01508210
SECHSECKIGE BUNDMUTTER
AUF LAGER
€1.51 2
008 470813353
WASCHMITTEL
€29.17 2
009 470813354A
WASCHMITTEL
€23.08 2
010 470813583B
STECKER
€30.35 2
011 470814641
PIVOT-PIN
€49.08 2
012 N10558102
INNENSECHSKANTSCHRAUBE MIT INNENVIELZAHNKOPF
AUF LAGER
€3.28 10
013 N10558102
INNENSECHSKANTSCHRAUBE MIT INNENVIELZAHNKOPF
AUF LAGER
€3.28 4
014 N10430103
SCHRAUBE MIT INNENSECHSKANT UND FLACHEM KOPF
AUF LAGER
€0.62 4

Haben Sie nicht gefunden, wonach Sie gesucht haben?

Originalteile Tuning-Teile Brauchen Sie Hilfe? Rufen Sie uns an